• Из-за закрытия китайского заведения, где мы раньше втречались, до того, как найдем, что-то подходящее для постоянных встреч, договариваемся о ближайшей встрече, на каждый первый четверг месяца, здесь: Кто в четверг к китайцам???

Пристрелка комбинашки

Когда гнем его только по середине, это более человечности что ли))) он загибается только в первой половине,а вторая половина получается вывешена.Конечно это мнимое вывешивание,но ствол уже может спокойней расширяться и вибрировать.
Ну мысль правильная конечно , муфту на срезе надо снять изначально , узлом сведения вывести ствол в параллель с прицельной планкой , винтами добиться удовлетворительной кучи на 60 м. , после изготовить новую муфту где окно под нарезной ствол будет с тепловым зазором в 3 десятки , после чего привести нарезной к удовлетворительной куче на 120м.
Инструмент в руки , бумажку , карандаш , формулы в помощь и вперед . Дерзай . Главное делать правильным инструментом и желательно руками а не электродробилками =))

--- Добор поста---

Тоскать в руках иж18 и на спине нарезной не охота, хотелось бы приобрести хотя бы одностволки в нарезном и гладком исполнении, но в одном блоке.
Хотите хороший добрый совет ??
Купите хороший болтовой карабин в зверовом калибре .
Не хватает на импортный болт , берите длинного Тигра с хорошей кучей .
Зачем вам эти птицы и разная мелочь когда целью стоит пара мешков с мясом ??? Только шум лишний .
Забил морозилку , убрал карабин в чулан , вот тогда уже можно и с гладким погулять в своё удовольствие , пострелять , потешить себя .
 
Пока у меня к счастью или несчастью нет иж94 и вообще даже стажа для нарезного, но хочу знать к чему готовиться
:ag: :yelclap: Тогда не заморачивайтесь, когда купите, тогда и будете решать проблемы, по мере их поступления. Может и не потребуется ни чего делать - пилить.
Тоскать в руках иж18 и на спине нарезной не охота
Ну и правильно, крайне не удобный вариант.
Как понимаю у Вас ещё два года до нарезного, потом просто определитесь с охотами которые больше нравятся и на которые чаще ездите. А там будет видно (надеюсь) какое нарезное в каком калибре требуется и нужно ли оно вообще.
И может прислушаетесь к мудрому совету Николая
Купите хороший болтовой карабин в зверовом калибре

P.S. Правда у Николая, у самого комби:ap:.
 
Если Вы стреляли пулями на 50 ментров, то такое превышение гладкой пули обычное дело. Стрельните из гладкого ствола дробью на 35 метров. При совпадении дробовой осыпи с центром прицеливания комбинаха будет считаться не бракованной.
Согласен с Эдуардом !!!
можно и лазерные патроны вставить посмотреть ..
И еще ...
При паяных стволах увод будет по любому ..
Не буду сильно пальцы загибать ,но Золи у меня были и есть ...
Можете посмотреть в теме ,повторяться и доказывать ничего не буду ,опыт у нас у всех РАЗНЫЙ ..
Тема http://piterhunt.ru/scripts/forum/showthread.php?t=53662&page=14&p=2080214#post2080214
По поводу 9,3х74 могу сказать ,что даже пули одного веса ,но разных производителей летят по разному ..
Баллистический коэф +- одинаковый ..
По стрельбе пулями из гладкого важно ВСЁ ...
Партия ,вес пули ,да даже температура отстрела ..
По мне так комбинашка - это точный выстрел с нарезного и ...
Дробь или картечь в стволах ...
Мне лично всё равно как стреляют ружья у кого-то ..
Если я знаю как стреляет и сведено мое ружье ,то все вопросы решаемы ..
Даже с открытыми прицельными ,не говоря об оптике ..
Голова охотнику дана не только для того чтобы шапку носить ..:ag:
ИМХО ..

--- Добор поста---

мысль правильная конечно , муфту на срезе надо снять изначально , узлом сведения вывести ствол в параллель с прицельной планкой , винтами добиться удовлетворительной кучи на 60 м. , после изготовить новую муфту где окно под нарезной ствол будет с тепловым зазором в 3 десятки , после чего привести нарезной к удовлетворительной куче на 120м.
Коля ,ты много знаешь профаков которые возьмутся за такую работу ??
Да ну нах .. скажут они и будут правы ..
Ломать не строить ...
Если всё настолько запущено , проще продать ружье ..
Это как с нелюбимой женой ...
и так и так не очень хорошо ..
Повторюсь ,нужно любить свое оружие и тогда - появится интуитивный контакт , вскинулся , даже не целясь ,нажал курок - иди подбирай дичь ..
Правда ..
Если ружье не зашло , ну или не нравится , проще продать ..
И ..
Не стоит сравнивать и требовать от разных производителей одного и того же ..
Если говорить образно иж-94 - это автомобиль нива
корона от золли - фиат
меркель или немцы простого разбора - мерседес
петер хоффер - дальний космос ,даже не автомобильный ..
И заметьте ...
Кабану или зайцу всЁ равно от какой пули или дроби умирать ..:ag:
 
Харрис,
Забить мясом холодильник задачи нет, нарезной болт отдельно купить можно, но тогда это уже другая охота. Я не хочу лишаться дробового выстрела в лесу, ТК глухарь, заяц, рябчик, это первое для чего иду в лес. А больше я хочу получить возможность выстрела с нарезного ствола будь то птица далее 60метров или лиса.
 
А для чего лису стрелять ??
Одно дело мне деваться некуда когда выжлец по лисе пошел , другое ВАМ ..
Экономическая составляющая по меху той же лисы это МИНУС ...
Стрельни, обдери , отдай на выделку ,затем только гипотетически можно продать ,но по факту цена такая ,что это будет называться ПОДАРИТЬ ..
Накладные расходы велики ,а покупательская способность никакая ..
Если же по сути , то можно поднакопить денежных знаков , и взять нормальную комбинашку ..
Андрюха Крюк недавно ту же золли 12х70 +308 отдавал задаром ..
С не плохой оптикой ,кроном быстросъемным ..
У меня такая же была один в один ,скорее всего и брали в Арсенале ,потому как оптика та же ..
Наверное из одной ввезенной партии ..
Сорри за флуд ..
 
Разговор о том за чем лиса и стрельба по ней это уже другая тема .
У нас разговор про сострел.
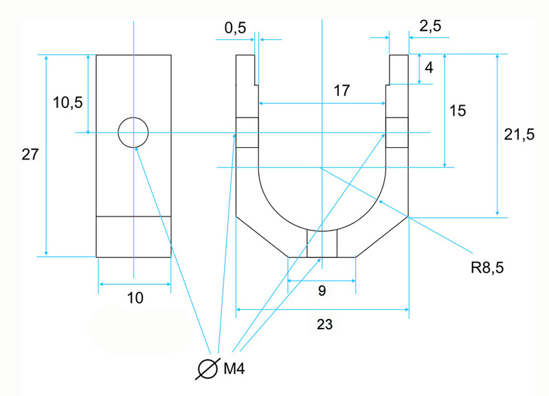
Кстати я не вижу большой проблемы заказа у фрезеровщика муфты на конец стволов с зазаром в несколько соток для нарезного.
В конце концов можно выточить две втулки отдельно,одну посадить намертво на дробовой ствол, вторую выточив с зазором.
Посадить на ствол через обернутую бумагу и приварить аргоном, что не составит большого труда сделать мне это просто в домашних условиях. После удаления бумаги , убедится в равном зазоре со всех сторон и заполнить его высокотемпературным герметиком.
 
Последнее редактирование:
:cc:
можно и лазерные патроны вставить посмотреть ..
Посмотреть и выбросить..:) Лазернные патроны - пустая, никчемная игрушка..

При паяных стволах увод будет по любому ..
- это вы меркелям, антонио золли и нек. другим фирмам скажите..
Правильно паяные и идеально сведенные стволы вовсе не редкость, даже у наших ружей..
По поводу 9,3х74 могу сказать ,что даже пули одного веса ,но разных производителей летят по разному ..
Позволю себе сильно усомниться . Превосходный патрон! Пожалуй один из самых лучших для ружей комби.

По мне так комбинашка - это точный выстрел с нарезного и ...
- и точный выстрел из гладкого ствола хорошего ружья.

Если я знаю как стреляет и сведено мое ружье ,то все вопросы решаемы ..
а вот это верно!

В конце концов можно выточить две втулки отдельно,одну посадить намертво на дробовой ствол, вторую выточив с зазором.
Посадить на ствол через обернутую бумагу и приварить аргоном, что не составит большого труда сделать мне это просто в домашних условиях.
- что и где провварить аргоном?? Мертво посаженную втулку на дробовом стволе или то, что через бумагу прилепите на нарезной? Втулку к нарезному проварить??:cc:
 
Петрович,
Сажаем втулку намертво на дробовой ствол.
Оборачиваем нарезной ствол бумагой или жестью от банки пивной. Сверху одеваем втулку.
Измеряем расстояние между втулкам, для изготовления пластины между втулками. Изготавливаем пластинку толщиной 2-3мм.
Аргоном сначало привариваем пластинку к верхнему дробовому стволу, потом после полного остывания с прихватками и в отрыв варим пластинку к муфте которая на нарезном стволе.
Что бы не вело во время сварки в стволы набить тряпок или ещё чего и хорошенько намочить, можно вообще концы сволов наполовину в воду опустить.
Вытащить прокладочный материал из бумаги или жести между муфтой и нарезным стволом, заполнить герметиком.
 
2317432.jpg
Вот примерно, но здесь прорезь с винтами и нарезной ствол зажат, я думаю что там зазор должен быть в виде резины толщиной 1-2 мм по периметру ствола нарезного.
 
Лазернные патроны - пустая, никчемная игрушка.
В руках неотесанного дикаря - да.
Вся кривость лазерного патрона - компенсируется методикой применения. Если патрон вообще кривой...
Если патрон прямой, юстированный - он вполне делает то, для чего задуман. У меня свой, самодельный - на 12 калибре показывает точно в СТП на 50 метров. У Сергея (Hermit) брал в тире, сравнивал - то же самое.
У меня просто лазер более мощный и зеленый... но зато источник питания снаружи.

LaserShell_MKI.jpg
жестью от банки пивной
Жесть магнитится, а пивная банка - нет. Потому что из алюминия.
 
Lexs Lavrov,
На сколько я догадываюсь то патронники в двустволках стоят не в оси стволов, по этой причине замеры лазерным патроном бессмысленно потраченное время.
Даже если его крутить в патроннике и проверять снова, или зажать ствол в тисках.
 
Верно подмечено.
Для решения вашей задачи - лазерный патрон НЕ подойдет.
Но для решения задачи проверки установки прицела и сохранения его настроек - вполне применимая вещь. Просто нужно пользоваться уметь.
Я юстировал несколько китайских для гладкого - позволяют первым выстрелом попасть в мишень №4 на 50 метрах. А больше и не надо.
 
dry, Андрей ,у ВАС какое образование ??
Вопрос без подковыки ...
У меня высшее техническое ,инженер механик специализация металлорежущие станки и инструменты , технология машиностроения + инженер конструктор 3й категории СКБ тяжелых и уникальных станков .. Про остальные специальности типа слесарь механосборочных работ и т.д. умолчу ...
С Алексеем ,который Lexs Lavrov, тоже в принципе всё понятно ..:ag:..С техникой знаком ..
Можно я поделюсь мнением ,достаточно обоснованным из СССР ..
Вы знаете кто был как правило самым нелюбимым человеком для конструктора в инструментальном и не только цехе ????
РАЦИОНАЛИЗАТОР .....
Как не странно ...
 
Во первых не у всех он есть, а если и есть то неизвестно кривой он или нет.
А во вторых лучше бахнуть пару раз, это веселее и сразу виден результат тех патронов которыми будем пользоваться.
Минус только один дома во дворе не бахнуть соседи вызовут дядей на машине с мигалкой

--- Добор поста---

тол,
Сварщик 4р, стаж пять лет, больше не работаю по профессии, хотя для себя много чего варю ручником, полуавтоматом и иногда аргоном.
 
С Алексеем ,который Lexs Lavrov, тоже в принципе всё понятно
Да я ваще астроном :)

Во первых не у всех он есть, а если и есть то неизвестно кривой он или нет.
Без разницы, потому что вам он все равно не поможет.

А во вторых лучше бахнуть пару раз, это веселее и сразу виден результат тех патронов которыми будем пользоваться.
Минус только один дома во дворе не бахнуть соседи вызовут дядей на машине с мигалкой
Ну как сказать... Тиры БСЦ и ДОСААФ на Львовской - ждут вас :) Там без дядей с мигалками, но за деньги.
Представьте себе такую ситуацию - вы туда приходите, платите, рассаживаетесь-раскладываетесь, стреляете, а дырки в мишени НЕТЪ... И куда оно попало - никому не ведомо, ибо вся стена в дырьях, и никто их там никогда не считал.
Есть совершенно неиллюзарная вероятность расстрелять все патроны, потратить деньги на тир, а в результате - получить абсолютно целую мишень, которую можно использовать в следующий раз. Она в магазине стоит 10 р.

Да, еще в Песочку можно, но там в плане доступа к мишеням, я так думаю, еще хуже чем в тире, ветер, дождь, за час - дешевле, но продается только по три часа...
 
Согласен, но можно начать с ростовой мишени и близкого расстояния)
 
Самое верное - собрать квадрат из 9 мишеней №4 краями вплотную, и долбить в центр :) Получается по полтора метра в каждую сторону.
 
тол,
Вы меня не убедите что вот такую штуку не сможет сделать простой работяга на станке
5282966.jpg
5282969.jpg
Сюда надо вместо черных регулировочных болтов трёх штук нижних залить герметик и всё. Муфта но конец стволов готова.
 
Посмотреть и выбросить.. Лазернные патроны - пустая, никчемная игрушка..
Николай Петрович , мы конечно понимаем что ВЫ ГУРУ ,может быть не стоит так категорично высказываться ..
Мир не стоит на месте ,прогресс идет вперед ..
И...
Даже из "кривых" как Вы утверждаете лазерных патронов можно извлечь некую пользу ..
Мой пост про лазерные патроны относился к Уважаемому из Красноярска ,который недоволен ЗОЛЛИ ..
В данном случае ,ту простейшую методику которую предложил Эдуард ,по поводу посмотреть осыпь дробовую на 35 метров и сострел ...
Опять же Алексей ,который Лавров прав , что просто поворачивая ЛП можно посмотреть и биение если оно есть патрона , и соосность стволов ...
Я же как человек с высшим образованием никогда бы не осмелился предложить кому нибудь ЛОМАТЬ ружье и выполнять юстировочные операции ЛП ..
Потому как учили меня еще в СССР и с принципами базирования при проектировании я знаком не по наслышке ..
Также есть понимание того как закрепить деталь в патрон токарного станка ..
Позволю себе сильно усомниться
В чем ???
Где я написал что 9,3х74 ПЛОХОЙ патрон ????
Не вижу ???
Я написал лишь то ,что у патронов от разных производителей ,а именно
Норма Орикс 18,5 граммов https://www.norma.cc/en/Products/Hunting/93x74-R/
там же можно посмотреть норму пластик пойнт , тоже 18,5 граммов
RWS эволюшн 18,8 https://rws-munition.de/rws-jagd-be...ash=085691983528ebafbe792f814c8fa9fc#!0/16/12
Лапуа Мега 18,5 граммов
летят при одинаковых условиях стрельбы в мишень формата а4 даже на 50 метров в разные углы ...
Стрелял я не один ,были парни и с пх ..
А патрон Николай Петрович 9,3х74 действительно замечательный ..
Очень комфортный по отдаче , это скорее обусловлено правильным конструктивом ...
Почему я в теме про ЗОЛЛИ и говорил , что не нужно иметь 10 разновидностей патронов от разных производителей с разными пулями , достаточно и одного , в 9,3х74 есть только полуоболочка ...
Масса самая распространенная 18,5 граммов ..
Самый бюджетный и не самый плохой вариант с пулей Мега от Лапуа ..
Как оболочку я использовал Орикс от Нормы , потому как иногда не раскрывались как положено ...
Мега же раскрывается даже в малоразмерной дичи ..
Могу и пример привести с фото ,что будет с дичью (правда не эстетично получается) ,но результат удовлетворительный,никто никуда дальше не бежит ,если попадешь ..
 
Кстати ,если говорить про температурное расширение и увод паяного ствола ,то я даже фотографию выкладывал что при этом получается ..
IMG0155A.jpgIMG0154A.jpgIMG0156A.jpgIMG0153A.jpg
Важно лишь то даешь стволу остыть , и стреляешь ли из верхних гладких для компенсации расширения ..
Данная мишень из под тройника ..
Обычную комбинашку я не мучил лишний раз да и не фотографировал ..
Это щелкнул так ,для отчета , чтобы было по чесноку ..
Кстати выше на 10 часов пуля из гладкого с правого ствола ..
Уже не помню какая , знаю что много разных попробовал ...
Бреннеке какие то в патранташе есть ..
Не более того ...
По любому если нужно точно попасть то стреляю из нарезного ..
Дистанция не так важна ...
Ну ....
Дальше 100-150 из девятки по лисе или зайцу стрелять не буду ..
По лосю в контур 200 еще куда не шло ,но не далее ..
Нужно понимать что пуля падает прилично ,хотя энергетики все равно хватит ..
 
Назад
Сверху Снизу